²úÆ·ÐÎò
Ò»¡¢Ö÷ÌâÄÚÈÝÓëÊÊÓùæÄ£
1¡¢Ö÷ÌâÄÚÈÝ
±¾ËµÃ÷Êé»®¶¨ÁËKYN66-40.5ÐÍîø×°ÒÆ¿ªÊ½½»Á÷½ðÊô¹Ø±Õ¿ª¹Ø×°±¸£¨ÒÔϼò³Æ¿ª¹Ø¹ñ)µÄÊÖÒÕÊý¾Ý£¬£¬½á¹¹¸Å¿ö£¬£¬ÊÂÇéÔÀí£¬£¬×°Öûù´¡³ß´ç£¬£¬ÔËÊä±£¹Ü¼°ÔËÐÐÄ¥Á·µÈ·½ÃæµÄ×¢ÖØÊÂÏ£¬×÷ΪÓû§Ñ¡ÐͺÍʹÓõÄÒÀ¾Ý¡£¡£¡£¡£¡£
2¡¢ÊÊÓùæÄ£
±¾ËµÃ÷ÊéÊÊÓÃÓÚKYN66-40.5ÐÍÕæ¿Õ¿ª¹Ø¹ñ
¶þ¡¢²úÆ·ÓÃ;
±¾²úÆ·ÇкÏGB3906-91¡¶3~35kV½»Á÷½ðÊô¹Ø±Õ¿ª¹Ø×°±¸¡·¼°DL/T404-1997¡¶»§ÄÚ½»Á÷¸ßѹ¿ª¹Ø¹ñ¶©»õÊÖÒÕÌõ¼þ¡·µÄÓйØÒªÇ󡣡£¡£¡£¡£ÊÊÓÃÓÚ40.5kV½»Á÷ÈýÏà50Hzµ¥Ä¸ÏßµçÁ¦ÏµÍ³ÖУ¬£¬×öΪ½ÓÊܺͷÖÅɵçÄÜÖ®Ó㬣¬±¾²úƷΪ»§ÄÚʹÓᣡ£¡£¡£¡£
Èý¡¢Ê¹ÓÃÇéÐÎ
1¡¢ÖÜΧ¿ÕÆøÎ¶ȣºÉÏÏÞ£º40¡æ£»£»ÏÂÏÞ£º-10¡æ
2¡¢º£°Î£º²»´óÓÚ1000m¡£¡£¡£¡£¡£Èô´óÓÚ1000m£¬£¬¶©»õʱÐèÌØÊâ˵Ã÷¡£¡£¡£¡£¡£
3¡¢Êª¶È¼°ëçÅH£ºÏà¶ÔÈÕÆ½¾ùÖµ²»´óÓÚ95%¡¢ÔÂÆ½¾ùÖµ²»´óÓÚ90%¡£¡£¡£¡£¡£ÈçÔÚ¸ßʪÆÚÄÚζȼ±½µÊ±ÔÊÐí±¬·¢Äý¶£¬£¬»ò¿ª¹Ø¹ñÔÚGB3906-91¸½Â¼E»®¶¨µÄ1¼¶Ìõ¼þʹÓ㬣¬ÐèÔÚ¶©»õʱ˵Ã÷¡£¡£¡£¡£¡£
4¡¢¿ª¹Ø¹ñÔÊÐíÔÚ8¼¶µØ¶¯ÁҶȵØÇøÊ¹Óᣡ£¡£¡£¡£
5¡¢ÖÜΧ¿ÕÆø²»ÊÜÇÖÊ´ÐÔÆøÌ塢ˮÕôÆûÏÔ×ÅÎÛȾ¡£¡£¡£¡£¡£
6¡¢ÎÞ¾³£ÐÔÇ¿ÁÒÕñ¶¯¡£¡£¡£¡£¡£
ËÄ¡¢²úƷϵÁкÍÖ÷Òª¹æ¸ñ
1¡¢±¾²úƷϵÁпɷÖΪ±ê×¼ÐÍ£¨»úеÊÙÃü1Íò´Î)ºÍ¿ÉƵÈÔ²Ù×÷ÐÍ£¨»úеÊÙÃü12Íò´Î)¡£¡£¡£¡£¡£
2¡¢È«ÐͺŵÄ×é³É
3¡¢¿ª¹Ø¹ñÖ÷»ØÂ·¼Æ»®¼û±í1£»£»±í2¡£¡£¡£¡£¡£
Îå¡¢Ãû´ÊÚ¹ÊÍ
1¡¢¿ÉÒÆ¿ª²¿¼þÔÚ¿ª¹Ø¹ñÄÚµÄ״̬
(1£©Ëø¶¨×´Ì¬£ºËø¶¨×´Ì¬ÊÇ¿ÉÒÆ¿ª²¿¼þÔÚ¹ñÄÚµÄÒ»ÖÖÎȹÌ״̬£¬£¬ÔÚÕâÖÖ״̬ʱ£¬£¬¿ÉÒÆ¿ª²¿¼þÉÏ×°ÖõĶÏ·Æ÷¿ÉÒÔ¾ÙÐкÏÕ¢»ò·ÖÕ¢²Ù×÷£»£»Íƽø»ú¹¹µÄÒ¡°Ñ²å¿Ú±»¹Ø±Õ£¬£¬¿ÉÒÆ¿ª²¿¼þ²»¿ÉÒÆ¶¯¡£¡£¡£¡£¡£¿£¿£¿ÉÒÆ¿ª²¿¼þµÄËø¶¨×´Ì¬Ö»ÄÜÔÚÊÂÇéλÖúÍÊÔÑéλÖÃʵÏÖ¡£¡£¡£¡£¡£Ëø¶¨×´Ì¬µÄʵÏÖÏ¢Õù³ý£¬£¬¶¼ÊÇͨ¹ýËø¶¨»ú¹¹¼°ÁªËøÊµÏֵġ£¡£¡£¡£¡£ÔÚËø¶¨Î»Ö㬣¬Ëø¶¨»ú¹¹ÊµÏÖ¶ÔС³µµÄËø¶¨»òɨ³ýµÄͬʱ£¬£¬ÆäÁªËø»ú¹¹Íê³É¶ÔÍÆ½ø»ú¹¹Ò¡°Ñ²å¿×µÄ¹Ø±Õ»ò·¿ª¡£¡£¡£¡£¡£
(2)ÒÆ¶¯×´Ì¬;ÒÆ¶¯×´Ì¬ÊÇ¿ÉÒÆ¿ª²¿¼þÔÚ¹ñÄÚµÄÒ»ÖÖÔÝʱ״̬£¬£¬ÔÚÕâÖÖ״̬Ï£¬£¬¿ÉÒÆ¿ª²¿¼þÉÏ×°ÖõĶÏ·Æ÷²»¿É¾ÙÐвÙ×÷£¬£¬Ëø¶¨»ú¹¹É¨³ý¶ÔС³µµÄËø¶¨©rÍÆ½ø»ú¹¹Ò¡°Ñ²å¿Ú·¿ª£¬£¬¿ÉÒÆ¿ª²¿¼þ¿ÉÒÔÔÚ¹ñÄÚµÄÊÔÑéλÖúÍÊÂÇéλÖÃÖ®¼äÒÆ¶¯¡£¡£¡£¡£¡£
2¡¢¿ÉÒÆ¿ª²¿¼þÔÚ¿ª¹Ø¹ñÄÚµÄλÖÃ
(1£©Ëø¶¨Î»ÖÃ
(a£©ÊÂÇéλÖÃ:ÕâÊÇ¿ÉÒÆ¿ª²¿¼þµÄÒ»ÖÖËø¶¨×´Ì¬¡£¡£¡£¡£¡£ÔÚÊÂÇéλÖ㬣¬¿ª¹Ø¹ñµÄÖ÷»ØÂ·½Óͨ£¬£¬¸¨Öú»ØÂ·Ò²½Óͨ¡£¡£¡£¡£¡£
(b£©ÊÔÑéλÖÃ:ÕâÊÇ¿ÉÒÆ¿ª²¿¼þµÄÁíÒ»ÖÖËø¶¨×´Ì¬¡£¡£¡£¡£¡£ÔÚÊÔÑéλÖ㬣¬¿ª¹Ø¹ñµÄ¸¨Öú»ØÂ·½Óͨ£¬£¬µ«Ö÷»ØÂ·¶Ï¿ª¡£¡£¡£¡£¡£
(2£©ÔÝͣλÖÃ:ÕâÊÇÒÆ¶¯×´Ì¬ºÍËø¶¨×´Ì¬Ö®¼äµÄÒ»¸öλÖ㬣¬ÍƽøÀú³ÌÖÐÔÚ´ËλÖÃÓ¦²åºÃ¶þ´Î²åÍ·£¬£¬Èç²»²å¶þ´Î²åͷС ³µÎÞ·¨½øÈëËø¶¨×´Ì¬¡£¡£¡£¡£¡£
Áù¡¢ÊÖÒÕ²ÎÊý
1¡¢¿ª¹Ø¹ñÊÖÒÕ²ÎÊý¼û±í3
2¡¢Õæ¿Õ¶Ï·Æ÷ÊÖÒÕ²ÎÊý¼û±í4¡¢±í5¡£¡£¡£¡£¡£
3¡¢µçÁ÷»¥¸ÐÆ÷Ö÷ÒªÊÖÒÕ²ÎÊý¼û±í6;±í7
4¡¢µçѹ»¥¸ÐÆ÷Ö÷ÒªÊÖÒÕ²ÎÊý¼û±í8¡¢±í9
5¡¢HY5WZ2ÐͱÜÀׯ÷ÊÖÒÕ²ÎÊý
6¡¢SC8-50/35Ð͸Éʽ±äѹÆ÷ÊÖÒÕ²ÎÊý
7¡¢ÈÛ¶ÏÆ÷ÊÖÒÕ²ÎÊý¼û±í10¡¢±í11¡£¡£¡£¡£¡£
8¡¢JN12-40.5Ðͽӵؿª¹ØÖ÷ÒªÊÖÒÕ²ÎÊý
Æß¡¢½á¹¹¼òÊö
±¾ÐÍ¿ª¹Ø¹ñÊÇÆ¾Ö¤GB3906-91Öл®¶¨µÄîø×°ÒÆ¿ªÊ½Éè¼Æ¡¢ÖÆÔìµÄ¡£¡£¡£¡£¡£¹ñÌå·À»¤Æ·¼¶ÎªIP20¡£¡£¡£¡£¡£¿£¿£¿ª¹Ø¹ñÖ÷ÒªÓɹñÌåºÍ¿ÉÒÆ¿ª²¿¼þ£¨¼ò³ÆÐ¡³µ)Á½²¿·Ö×é³É£¬£¬¹ñÌå½á¹¹ÐÎ×´¼ûͼ1£¬£¬¶Ï·Æ÷С³µ½á¹¹ÐÎ×´¼ûͼ2£¬£¬µçѹ»¥¸ÐÆ÷С³µÐÎ×´¼ûͼ3¡£¡£¡£¡£¡£
1¡¢¹ñÌå
KYN66-40.5ÐÍ¿ª¹Ø¹ñÊÇÓɽǸֺͽðÊô±¡¸Ö°åº¸½Ó¶ø³É£¬£¬¹ñÄÚÓýӵصĽðÊô¸ô°å°´¹¦Ð§Ö§½â³ÉËĸö×ÔÁ¦¸ôÊÒ£¬£¬¼´Ð¡³µÊÒ¡¢Ö÷ĸÏßÊÒ¡¢µçÀÂÊҺͼ̵çÆ÷ÊÒ¡£¡£¡£¡£¡£ÆäÖÐÖ÷ĸÏßÊҺ͵çÀÂÊÒΪ¶Ô³Æ½á¹¹£¬£¬Ö÷ĸÏß¿ÉÖÃÓÚ¹ñºóÉÏÊÒ£¬£¬Ò²¿ÉÖÃÓÚ¹ñºóÏÂÊÒ£¬£¬Óû§¿Éƾ֤ÐèÒªÎÞаÔËÓᣡ£¡£¡£¡£¹ñÌå½ÓÄɸ´ºÏ¾øÔµ,¸´ºÏ¾øÔµÊ±¿ÕÆø¾àÀë¡Ý220mm¡£¡£¡£¡£¡£±¾ÐÍ¿ª¹Ø¹ñÉÏÊÕÖ§ÏßÄÚ²¿°²Åżûͼ4£¬£¬µçÀÂÊÕÖ§ÏßÄÚ²¿°²Åżûͼ5¡£¡£¡£¡£¡£
С³µÊÒºÍÖ÷ĸÏßÊÒ¶¥²¿¾ùÉèÓÐѹÁ¦ÊÍ·Å×°ÖÃ,µ±¹ñÄÚÓÉÓÚÒâÍâÔµ¹ÊÔÓÉѹÁ¦Ôö´óʱ£¬£¬Ñ¹Á¦ÊÍ·Å×°ÖÃÉϵĸǰ彫×Ô¶¯·¿ª£¬£¬Ê¹Ñ¹ÊµÁ¦Ì嶨ÏòÅÅ·Å£¬£¬ÒÔ°ü¹Ü²Ù×÷Ö°Ô±ºÍ×°±¸µÄÇå¾²¡£¡£¡£¡£¡£
С³µÊҵĵײ¿ÉèÓÐС³µ¹ìµÀ,¹©Ð¡³µÔÚ¹ñÄÚÔ˶¯¡£¡£¡£¡£¡£Ð¡³µÊÒ×óÓÒÁ½²àÉèÓпªºÏÖ÷»ØÂ·ÕÚµ²Á±°åµÄ»ú¹¹ºÍС³µºáÏòÏÞλװÖᣡ£¡£¡£¡£ÈôÊÇ¿ª¹Ø¹ñÉèÓнӵؿª¹Ø¡£¡£¡£¡£¡£½ÓµØ¿ª¹ØµÄ²Ù×÷»ú¹¹¼°Æä»ú¹¹ÁªËøÉèÔÚС³µÊÒÓҲࡣ¡£¡£¡£¡£
С³µÊÒÓëÖ÷ĸÏßÊҺ͵çÀÂÊҵĸô°åÉÏ×°ÖÃÓеçÁ÷»¥¸ÐÆ÷Ó봥ͷºÐºÏΪһÌåµÄÖ÷»ØÂ·¾²´¥Í·ºÐ¡£¡£¡£¡£¡£´¥Í·ºÐ¼È°ü¹ÜÁ˸÷¹¦Ð§Ð¡ÊҵĸôÀ룬£¬Í¬Ê±Ò²×öΪ¾²´¥Í·µÄÖ§³Ö¼þ¡£¡£¡£¡£¡£µ±Ð¡³µ²»ÔÚ¹ñÄÚʱ£¬£¬Ö÷»ØÂ·¾²´¥Í·Óɽӵر¡¸Ö°åÖÆ³ÉµÄ»î¶¯Á±×Ó°å¸Çס£¬£¬°ü¹ÜÔÚС³µÊÒÊÂÇéµÄÖ°Ô±Çå¾²¡£¡£¡£¡£¡£µ±Ð¡³µ½øÈëʱ£¬£¬»î¶¯Á±°å×Ô¶¯·¿ª£¬£¬ÐÂÎÅ´¥Í·Ë³Ëì½Óͨ¡£¡£¡£¡£¡£Ð¡³µÇ°¸Ç°åÓë¹ñÌåǰÃźÏΪһÌå,µ±Ð¡³µÍ˳ö¹ñÍâʱ£¬£¬»î¶¯Á±°å½«×÷Ϊ¹ñÍâ¿ÇµÄÒ»²¿·Ö¡£¡£¡£¡£¡£
Ö÷ĸÏßÊÒÄÚ×°ÖÃÈýÏà70¡Á4µÄÔ²¹ÜÐÎĸÏß¡£¡£¡£¡£¡£¸÷¿ª¹Ø¹ñÖ÷ĸÏßÊÒ¾¾øÔµÌ×¹ÜÒâ»á©oÔËÐÐʱ¸÷¹ñµÄÖ÷ĸÏßÊÒÖ®¼äÊÇÀë¸ôµÄ£¬£¬¿ÉÒÔ×èÖ¹Ò»¸ö¾àÀë·ºÆðÒâÍ⣬£¬»ö¼°ÆäËû¿ª¹Ø¹ñµÄÀ©Õ¹ÐÔʹʱ¬·¢¡£¡£¡£¡£¡£
µçÀÂÊÒÄÚÆ¾Ö¤Ö÷»ØÂ·¼Æ»®µÄÐèÒª£¬£¬¿ÉÒÔ×°ÖõçÁ÷»¥¸ÐÆ÷¡¢½ÓµØ¿ª¹Ø¡¢´øµçÏÔʾװÖᣡ£¡£¡£¡£ÓÉÓڴ˹ñ¹ñÐÍÌå»ý½ÏС£¬£¬Òò´ËµçÀÂÍ·²»¿ÉÔÚ±¾¹ñÄÚ×°Ö㬣¬Ö»ÄÜÖÃÓÚµçÀ¹µÄÚ¡£¡£¡£¡£¡£µçÀÂÍÑÀëºó´©¹ý¾øÔµÌ׹ܽøÈë±¾¹ñµçÀÂÊÒ¡£¡£¡£¡£¡£
¼ÌµçÆ÷ÊÒÄÚÉèÓм̵çÆ÷×°Öð壬£¬¿É×°ÖÃ͹³ö×°ÖõÄÖÖÖ̵ּçÆ÷£¬£¬¼ÌµçÆ÷ÊÒÃÅÉÏ¿É×°ÖÃÖÖÖÖ¼ÆÁ¿ÒÇ±í¡¢²Ù×÷¿ª¹Ø¡¢ÐźÅ×°Öá¢Ç¶Èëʽ¼ÌµçÆ÷»òÖÖÖÖ×ۺϱ£»£»¤×°Öõȡ£¡£¡£¡£¡£¼ÌµçÆ÷ÊÒ¶¥²¿ÊÇСĸÏßÊÒ£¬£¬Ð¡Ä¸ÏßÊÒÄÚÉèÓÐÓÃÓÚÀο¿6mmÖ±¾¶»ÆÍ¹÷µÄСĸÏß¶Ë×Ó¡£¡£¡£¡£¡£µ¥²ã°²ÅÅʱ×î¶à¿ÉÉè12ÌõСĸÏß;Ë«²ã°²ÅÅʱ×î¶à¿ÉÉè24ÌõСĸÏß¡£¡£¡£¡£¡£¼ÌµçÆ÷ÊÒϲ¿×°Ööþ´Î¶Ë×ÓÅÅ£¬£¬¶Ë×ÓÅÅ×°ÖÃÓÚÀο¿Ôڼ̵çÆ÷ÊÒµ×°åÉϵÄ×°ÖÃÖ§¼ÜÉÏ¡£¡£¡£¡£¡£Èç×°ÖÃJH5ÐͽÓÏß¶Ë×Ó£¬£¬×î¶à¿É×°ÖÃ110¸ö¡£¡£¡£¡£¡£Ð¡Ä¸ÏßÊҵĺóÃæÊǶþ´ÎµçÀÂÊÒ¡£¡£¡£¡£¡£ÓÉÓÚ¹ñÌåÌå»ý½ÏС,ÔÚ±¾¹ñÎÞ·¨Éè¼Æ¶þ´ÎµçÀÂÊÕÖ§¿×£¬£¬¶þ´ÎµçÀÂÊÇͳһͨ¹ýרÉèµÄ¶þ´ÎµçÀ¹ñÅÀµ½¹ñ¶¥,ͨ¹ý¶þ´ÎµçÀÂÊÒµÖ´ï¸÷¹ñ¼ÌµçÆ÷ÊÒ¡£¡£¡£¡£¡£Ò»×éÅÅÁеĿª¹Ø¹ñ¶þ´ÎµçÀÂÊÒÊǹᴮµÄ£¬£¬¶þ´ÎµçÀ¹ñ¿ÉÖÃÓÚÒ»×éÅÅÁпª¹Ø¹ñµÄ×ó¶Ë»òÓÒ¶Ë£¬£¬Ò²¿ÉÖÃÓÚÒ»×éÅÅÁпª¹Ø¹ñµÄÖÐÐÄ¡£¡£¡£¡£¡£¶þ´ÎµçÀ¹ñÖÃÓÚÁ½Í·Ê±¹ñ¿íΪ300mm£¬£¬ÖÃÓÚÖÐÐÄʱ¹ñ¿íΪ400mm£¬£¬¹ñÉî¾ùÓë¹ñÌåͬÉî¡£¡£¡£¡£¡£
רÓüÆÁ¿¹ñΪÀο¿Ê½½á¹¹,ÆäÄÚ²¿½á¹¹¼°ÐÎ×´¼ûͼ6¡£¡£¡£¡£¡£
ĸÏßÇÅΪ½ðÊô½Ç¸Öº¸½Ó¹Ç¼Ü£¬£¬ÖÜΧÓýðÊô±¡¸Ö°åͨ¹ýÂÝ˨Óë¹Ç¼ÜÏàÁ¬£¬£¬×é³É½ðÊô¹Ø±ÕĸÏßÇÅ¡£¡£¡£¡£¡£ÃæÆËÃæÄ¸ÏßÇÅ×°Åä¼ûͼ7-8;¶ÔǽĸÏßÇÅ×°Åä¼ûͼ9-10¡£¡£¡£¡£¡£
2¡¢Ð¡³µ
ƾ֤С³µÉÏÉèÖõÄÖ÷»ØÂ·Ôª¼þµÄ²î±ð£¬£¬¿ÉÒÔÓжÏ·Æ÷С³µ¡¢µçѹ»¥¸ÐÆ÷С³µ¡¢¸ôÀëС³µºÍËùÓñäС³µµÈ¡£¡£¡£¡£¡£Í¬¹æ¸ñС³µ°ü¹Ü½»Á÷¡£¡£¡£¡£¡£Ð¡³µÔÚ¹ñÄÚÓÐÊÔÑéλÖúÍÊÂÇéλÖÃÁ½¸öËø¶¨×´Ì¬¡£¡£¡£¡£¡£Ð¡³µµÄÍÆ½ø(Í˳ö£©½ÓÄÉÎÏÂÖ¸±Ê¡Á¦»ú¹¹£¬£¬²Ù×÷ÇáÓ¯¡¢ÎÞа¡£¡£¡£¡£¡£Ð¡³µÊÕÖ§¹ñʱ£¬£¬ÐèҪʹÓÃרÓø½¼Ó¹ìµÀ¡£¡£¡£¡£¡£
3¡¢ÁªËø
±¾ÐÍ¿ª¹Ø¹ñÉè¼ÆÁ˿ɿ¿µÄ¡°Îå·À¡±±ÕËøÏµÍ³¡£¡£¡£¡£¡£
(1)ÍÆ½ø»ú¹¹Óë¶Ï·Æ÷Ö®¼äµÄÁªËø
Ϊ±ÜÃâÔÚ¶Ï·Æ÷¹ØºÏ״̬ÏÂÍÆÀС³µ¶øÔì³É´ø¸ººÉÍÆÀС³µµÄ¶ñÐÔʹʱ¬·¢£¬£¬¿ª¹Ø¹ñС³µÉÏÉèÓлúеÁªËø¡£¡£¡£¡£¡£
a.µ±Ð¡³µ´¦ÓÚÊÂÇéλÖûòÊÔÑéλÖ㬣¬Ð¡³µËø¶¨»ú¹¹ÊÖ±úת¶¯µ½Ëø¶¨Î»Ö㬣¬Ê¹Ð¡³µ¶¨Î»Öá²åÈë¹ñÌåºáÏòËø¶¨¿éµÄËø¿×ÄÚ£¬£¬Í¬Ê±Íƽø»ú¹¹Ò¡°Ñ²å¿×±»ÕÚµ²¡£¡£¡£¡£¡£Èô¶Ï·Æ÷ºÏÕ¢£¬£¬¶Ï·Æ÷²ÙÄîÍ·¹¹Êä³ö´óÖáµÄ¹Õ±Û×èµ²Áª¸ËÏòÉÏÔ˶¯£¬£¬Ê¹Ð¡³µËø¶¨»ú¹¹ÊÖ±úÎÞ·¨Òƶ¯£¬£¬È·±£Ð¡³µÖ»ÄÜ´¦ÓÚËø¶¨×´Ì¬¡£¡£¡£¡£¡£Ö»Óе±¶Ï·Æ÷´¦ÓÚ·Öբ״̬£¬£¬Ð¡³µËø¶¨»ú¹¹ÊÖ±ú²Å»ª×ª¶¯£¬£¬µ±ÊͦúתÖÁÒÆ¶¯Î»ÖÃʱ£¬£¬Íƽø»ú¹¹Ò¡°Ñ²å¿×±»ÍêÈ«·¿ª£¬£¬Ð¡³µ²Å¿ÉÒÔÔ˶¯¡£¡£¡£¡£¡£±ÜÃâÁË´ø¸ººÉÍÆÀС³µ¡£¡£¡£¡£¡£
b.µ±Ð¡³µÎ´½øÈëËø¶¨Î»ÖûòÍÆ½øÒ¡°Ñδʵʱ°Î³öʱ£¬£¬Ð¡³µËø¶¨»ú¹¹ÊÖ±úÎÞ·¨´ÓÒÆ¶¯Î»ÖÃ×ªÎªËø¶¨Î»Ö㬣¬Í¬Ê±£¬£¬Ð¡³µµÄ»úеÁªËøÍ¨¹ý¶Ï·Æ÷ÄÚ²¿»úеÁªËø¸Çס¶Ï·Æ÷µÄºÏÕ¢»ú¹¹,ʹµç¶¯»òÊÖ¶¯ºÏÕ¢¾ùÎÞ·¨¾ÙÐС£¡£¡£¡£¡£´Ó¶ø°ü¹ÜÁËÔËÐеÄÇå¾²ÐÔ¡£¡£¡£¡£¡£
±ðµÄ£¬£¬ÔÚÓпɿ¿»úеÁªËøµÄͬʱÉÐÓÐµçÆøÁªËø×÷Ϊºó±¸±ÕËø£¬£¬Ð¡³µÎ»ÖõÄÐг̿ª¹Ø½Óµã½ÓÈë¶Ï·Æ÷µÄºÏÕ¢»ØÂ·£¬£¬Ð¡³µÖ»ÓÐÔÚËø¶¨Î»ÖòŻª½ÓͨºÏÕ¢»ØÂ·¡£¡£¡£¡£¡£
(2)С³µÓë½ÓµØ¿ª¹ØÖ®¼äµÄÁªËø
±¾ÐÍ¿ª¹Ø¹ñÉè¼ÆÎªÐ¡³µÇ°¸Ç°åÓë¹ñÌåǰÃźÏΪһÌå,µ±Ð¡³µÔÚ¹ñÄÚʱ,С³µÇ°¸Ç°å¸ÇסÁ˽ӵؿª¹Ø²Ù×÷ÊÖ±úµÄ²åÈë¿×£¬£¬Òò´ËÒªÏëºÏ½ÓµØ¿ª¹ØÊ±Ð¡³µ±ØÐèÒÆ³ö¹ñÍâ,±ÜÃâÁË´øµçºÏ½ÓµØ¿ª¹Ø©r½ÓµØ¿ª¹Ø±ÕºÏµÄͬʱ»úеÁªËø¿é¸ÇסС³µÔËÐйìµÀ£¬£¬Ê¹Ð¡³µÎÞ·¨½øÈë¹ñÄÚ£¬£¬±ÜÃâ½ÓµØ¿ª¹Ø´¦ÓÚºÏբ״̬Ë͵çµÄÎó²Ù×÷±¬·¢¡£¡£¡£¡£¡£
(3£©¶þ´Î²åÍ·ºÍС³µËø¶¨»ú¹¹Ö®¼äµÄÁªËø
ÈôÊÇС³µ¶þ´Î²åÍ·²»²åºÃ£¬£¬Ð¡³µµÄËø¶¨»ú¹¹½«ÎÞ·¨×ªµ½Ëø¶¨Î»Ö㬣¬Ê¹Ð¡³µÔÚÊÂÇéλÖÃ(ÊÔÑéλÖÃ)ÎÞ·¨Ëø¶¨¡£¡£¡£¡£¡£ÈçÈôÏë°Î϶þ´Î²åÍ·£¬£¬Ö»ÓÐÔÚС³µÍ˵½ÊÔÑéλÖú󣬣¬½«Ð¡³µËø¶¨»ú¹¹ÊÖ±úתÖÁÔÝͣλÖÃʱ²Å¿É¾ÙÐвÙ×÷¡£¡£¡£¡£¡£
(4)¸ôÀëС³µµÄÁªËø
ÓÉÓÚ¸ôÀëС³µÃ»Óзֶϡ¢¹ØºÏ¸ººÉµçÁ÷µÄÄÜÁ¦,ΪÁË×èÖ¹¸ôÀëС³µÔÚÏà¹Ø¶Ï·Æ÷ûÓзÖÕ¢µÄÇéÐÎÏÂÍÆÀ,ÔÚС³µÇ°¸Ç°åÉÏ×°Ò»°Ñµç´ÅËø,µç´ÅËøËø×¡ÓëС³µËø¶¨»ú¹¹ÊÖ±úÒ»ÆðÁª¶¯µÄÔ²ÅÌ£¬£¬Ö»Óеç´ÅËøÓеç(ͨ³£µçÔ´ÓÉÏà¹Ø¶Ï·Æ÷µÄ³£±Õ¸¨Öú½Óµã¿ØÖÆ)£¬£¬Ëø±»·¿ª£¬£¬ËøÉàÍ˳ö£¬£¬Ð¡³µËø¶¨»ú¹¹ÊÖ±ú²Å»ª×ª¶¯£¬£¬É¨³ýС³µËø¶¨²¢·¿ªÍƽø»ú¹¹µÄÒ¡°Ñ²å¿×¡£¡£¡£¡£¡£
(5£©¹ñºóÃÅ(½øÏßÊÒ»òµçÀÂÊÒÏà¶ÔÓ¦µÄÃÅ)Óë½ÓµØ¿ª¹Ø¼°¶Ï·Æ÷¼äÁªËø
¶Ï·Æ÷¹ñ¹ñºóÃÅ×°ÖÃÒ»Ðг̿ª¹Ø¼°Ò»°Ñµç´ÅËø£¬£¬Ðг̿ª¹ØµÄ³£¿£¿£¿ª½Óµã¶Ï¿ª¶Ï·Æ÷µÄºÏÕ¢»ØÂ·£¬£¬Ö»ÓкóÃÅÍêÈ«¹ØºÃºó¶Ï·Æ÷²Å»ªºÏÕ¢£¬£¬ÈôΪ³öÏß¹ñ£¬£¬½ÓµØ¿ª¹ØÉϵĸ¨Öú¿ª¹Ø³£¿£¿£¿ª½Óµã¿ØÖƵç´ÅËøµçÔ´£¬£¬Ö»Óнӵؿª¹Ø¹ØºÏºóµç´ÅËøÍ¨µç£¬£¬ºóÃŲŻª·¿ª£¬£¬ÈôΪ½øÏß¹ñ£¬£¬ÏÔʾÆ÷Ç¿ÖÆ±ÕËø½Óµã¿ØÖƵç´ÅËøµçÔ´£¬£¬Ö»ÓнøÏß²àûÓеçѹʱµç´ÅËøÍ¨µç£¬£¬ºóÃŲŻª·¿ª¡£¡£¡£¡£¡£
¸ôÀë¹ñ¹ñºóÃÅÖ»×°ÖÃÒ»°Ñµç´ÅËø£¬£¬ÈôΪ³öÏß¹ñ£¬£¬½ÓµØ¿ª¹ØÉϵĸ¨Öú¿ª¹Ø³£¿£¿£¿ª½Óµã¿ØÖƵç´ÅËøµçÔ´£¬£¬Ö»Óнӵؿª¹Ø¹ØºÏºóµç´ÅËøÍ¨µç£¬£¬ºóÃŲŻª·¿ª£¬£¬ÈôΪ½øÏß¹ñ£¬£¬ÏÔʾÆ÷Ç¿ÖÆ±ÕËø½Óµã¿ØÖƵç´ÅËøµçÔ´£¬£¬Ö»ÓнøÏß²àûµçѹʱµç´ÅËøÍ¨µç,ºóÃŲŻª·¿ª¡£¡£¡£¡£¡£
4¡¢¿ª¹ñµÄ¶þ´Î½ÓÏß
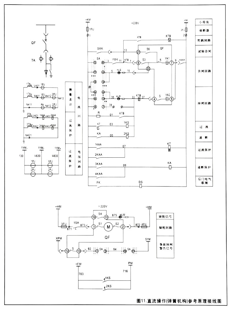
Óû§¿Éƾ֤×Ô¼ºµÄϵͳÏÖÕæÏàÐÎÑ¡Ôñ¿ØÖƵçÔ´ºÍÉèÖöÏ·Æ÷µÄ¿ØÖƵç·,²¢Éè¼ÆÏìÓ¦¿ª¹Ø¹ñ¶þ´ÎÔÀíͼ¡£¡£¡£¡£¡£Í¼11ÊǶÏ·Æ÷¹ñµÄ¿ØÖƼ°±£»£»¤ÔÀí²Î¿¼Í¼£¬£¬Í¼12ÊÇÏìÓ¦µÄ¶Ï·Æ÷ÄÚ²¿½ÓÏßͼ£¬£¬¹©Óû§Éè¼ÆÊ±²Î¿¼¡£¡£¡£¡£¡£Í¼ÖеÄС³µÎ»Öÿª¹Ø×°ÖÃÓÚС³µÊÒ¶¥¸Ç°åÉÏ£¬£¬·´Ó¦Ð¡³µÔÚ¹ñÄÚµÄλÖ㬣¬½ÓµãΪÁ½³£¿£¿£¿ª(»òÒ»¿ªÒ»±Õ;»òÁ½³£±Õ)¡£¡£¡£¡£¡£Í¼13ºÍͼ14Êǵçѹ»¥¸ÐÆ÷ºÍרÓüÆÁ¿¹ñµÄÔÀí½ÓÏ߲ο¼Í¼¡£¡£¡£¡£¡£Í¼15ΪËùÓñä¹ñÔÀí½ÓÏ߲ο¼Í¼¡£¡£¡£¡£¡£
°Ë¡¢×°Öõ÷½â
1¡¢¿ª¹Ø¹ñ×°ÖÃǰ£¬£¬Ê×ÏÈÓ¦¼ì²é×°Öûù´¡ÊÇ·ñ¼°¸ñ£¨Çкϡ¶ÐÞ½¨µçÆø×°Öù¤³ÌÖÊÁ¿¼ì²éÆÀ¶¨±ê×¼¡·GBJ303-88µÄÒªÇ󡣡£¡£¡£¡£)¿ª¹Ø¹ñ»ù´¡²Û¸Ö°²Åż°µçÀ¿ª¿×Çë°Ý¼ûͼ16¡¢Í¼17£¬£¬¶þ´ÎµçÀ¹ñ»ù´¡¿ª¿×¼ûͼ18¡£¡£¡£¡£¡£
2¡¢¿ª¹Ø¹ñµÄ»ù´¡Ê©¹¤Ò»Ñùƽ³£Ó¦µ±·ÖÁ½´Î½½ÆÌ»ìÄýÍÁ£¬£¬µÚÒ»´ÎÀο¿µçÀ²۸֣¬£¬µÚ¶þ´ÎÆÌÉèµØÃæ£¬£¬Ò»Ñùƽ³£ÆÌÉèºñ¶ÈΪ60mm,µØÃæÓ¦µÍÓÚ»ù´¡²Û¸ÖµÄÉÏÆ½Ãæ3~6mm¡£¡£¡£¡£¡£
3¡¢¿ª¹Ø¹ñÈôÊÇÊǵ¥ÃæÅÅÁУ¬£¬¹ñǰ×ßÀÈÒÔ´óÓÚ2.5mΪÒË£¬£¬¿ª¹Ø¹ñÈôÊÇÊÇÁ½ÁÐÆËÃæÅÅÁУ¬£¬¹ñ¼ä×ßÀÈÒÔ²»Ð¡ÓÚ3.5mΪÒË¡£¡£¡£¡£¡£
4¡¢²ðÏäºó£¬£¬Ó¦Ê×Ïȱ£¹ÜºÃËæÏäÎļþ×ÊÁÏ£¬£¬²¢Æ¾Ö¤×°Ïäµ¥¼ì²éËæ¹ñ±¸¼þ¡¢¸½¼þÊÇ·ñÆëÈ«£¬£¬²¢×÷Ïà¹Ø¼Í¼£¬£¬È»ºó¼ì²é¿ª¹Ø¹ñÓÐûÓÐÏÔ×ŵÄË𻵡£¡£¡£¡£¡£ÈçûÓÐÎÊÌ⣬£¬¿Éµõ×°¾Íλ½øÈë×°Öᣡ£¡£¡£¡£
5¡¢¿ª¹Ø¹ñ²¢ÁкóÓ¦ÓëÏàÁÙ¹ñ¿¿½ô£¬£¬ÓÃÂÝ˨Àο¿ÔÚÒ»Æð¡£¡£¡£¡£¡£¹ñµ×²¿Ô²¿×Ó¦Óë»ù´¡²Û¸Öº¸ÀΡ£¡£¡£¡£¡£
6¡¢Ò»Ñùƽ³£ÇéÐιñÌåµÄ²¢ÁÐ×°ÖÃÓ¦ÓëÖ÷ĸÏßµÄ×°Öý»Ìæ¾ÙÐУ¬£¬ÕâÑù¿ÉÒÔ×èÖ¹¹ñÌå×°Öú󣬣¬×°ÖÃÖ÷ĸÏßÄÑÌâ¡£¡£¡£¡£¡£
7¡¢¹ñÌå²¢ÁÐ×°Öú󣬣¬Ó¦°Ñ¸÷¹ñ¼äµÄÖ÷½ÓµØÄ¸Ïߣ¬£¬ÅþÁ¬ÔÚÒ»Æð£¬£¬ÅþÁ¬´¦ÔÚ¹ñºóµ×²¿£¬£¬²¢ÔÚÊʵ±µÄµØ·½ÓëÐÞ½¨Ô¤ÉèµÄ½ÓµØÍøÏàÅþÁ¬¡£¡£¡£¡£¡£
8¡¢·¿ª¹ñǰСĸÏßÊÒ¶¥¸Ç°å£¬£¬ÓÃËæ¹ñ´øÀ´µÄ»ÆÍ°ô½«¸÷¹ñµÄСĸÏßÖðÒ»¶ÔÓ¦ÅþÁ¬ºÃ¡£¡£¡£¡£¡£
9¡¢ÍƳµÇ°Ê×ÏÈÓ¦ÈÏÕæ¼ì²éÖ÷¡¢¸¨»ØÂ·ÐÂÎÅ´¥Í·ÊÇ·ñÓÐËðÉË¡£¡£¡£¡£¡£È»ºó²Á¾»´¥µã´¦µÄ·ÀÐâÓÍ£¬£¬Í¿ÉÏÇå½àµÄÈó»¬Ö¬¡£¡£¡£¡£¡£ÔÙ¼ì²é½ÓµØ´¥Í·ÊÇ·ñÍêºÃ£¬£¬²¢Í¿ÉÏÉÙÐíÈó»¬Ö¬¡£¡£¡£¡£¡£È»ºó¼ì²éÍÆ½ø»ú¹¹¼°ÆäÁªËøÊÇ·ñÔËתÓÅÒ죬£¬²¢Êʵ±È󻬡£¡£¡£¡£¡£
10¡¢¶ÔС³µÉϵĶÏ·Æ÷µÈÖ÷»ØÂ·Ôª¼þ¾ÙÐмì²é¡£¡£¡£¡£¡£ÏêϸµÄÒªÁìÇë²ÎÔÄÏà¹ØµÄÊÖÒÕÎļþ¡£¡£¡£¡£¡£
11¡¢´Ëʱ¿É½«Ð¡³µÐìÐìÍÆÈë¹ñÄÚ£¬£¬ÍƽøÊ±Òª×¢ÖØ´¥Í·µÄ²å½ÓÇéÐκÍС³µµÄ¶¨Î»ÇéÐΣ¬£¬ÒÔ¼°³µÁ½²àÓëÌôÁ±×Ó°å¹Õ±ÛµÄ¶ÔÓ¦¹ØÏµ£¬£¬Ð¡³µÊÔÍÆºó£¬£¬Ó¦ÍË»ØÊÔÑéλÖþÙÐÐµçÆøÊÔÑé¡£¡£¡£¡£¡£Æ¾Ö¤ÔÀí½ÓÏßͼ£¬£¬¼ì²é¿ª¹Ø¹ñ¸÷²¿·ÖµçÆ÷ÊÇ·ñÕý³£(¿ØÖÆÐÔÄÜ)£¬£¬Ðж¯ÊÇ·ñ¿É¿¿¡£¡£¡£¡£¡£
¾Å¡¢Ê¹ÓÃÓëά»¤
¿ª¹Ø¹ñÔÚÔËÐÐÖÐ,ÔËÐÐÖ°Ô±³ýÓ¦×ñÊØÓйعæ³ÌÍ⣬£¬»¹Ó¦×¢ÖØÒÔÏÂÎÊÌâ¡£¡£¡£¡£¡£
1¡¢²Ù×÷³ÌÐò
ËäÈ»¿ª¹Ø¹ñÉè¼ÆÓаü¹Ü¿ª¹Ø¹ñ¸÷²¿·Ö²Ù×÷³ÌÐò׼ȷµÄÁªËø,¿ÉÊDzÙ×÷Ö°Ô±¶Ô¿ª¹Ø¹ñ¸÷²¿·ÖµÄͶÈëºÍÍ˳öÈÔÓ¦ÑϿᰴ²Ù×÷¹æ³ÌºÍ±¾ÊÖÒÕÎļþµÄÒªÇó¾ÙÐУ¬£¬²»Ó¦ËæÒâ²Ù×÷£¬£¬¸ü²»Ó¦ÔÚ²Ù×÷ÊÜ×èʱ£¬£¬²»¼ÓÆÊÎöÇ¿ÐвÙ×÷¡£¡£¡£¡£¡£²»È»£¬£¬ÈÝÒ×Ôì³É×°±¸Ë𻵣¬£¬ÉõÖÁÒýÆðʹʡ£¡£¡£¡£¡£
(1£©Î޽ӵؿª¹ØµÄ¶Ï·Æ÷¹ñµÄ²Ù×÷
a.½«¶Ï·Æ÷¿ÉÒÆ¿ª²¿¼þ×°Èë¹ñÌå
¶Ï·Æ÷С³µ×¼±¸ÓɹñÍâÍÆÈë¹ñÄÚǰ£¬£¬Ó¦ÈÏÕæ¼ì²é¶Ï·Æ÷ÊÇ·ñÍêºÃ£¬£¬ÓÐûÓЩװ²¿¼þ£¬£¬ÓÐÎÞ¹¤¾ßµÈÔÓÎï·ÅÔÚ»ú¹¹Ïä»ò¿ª¹ØÄÚ£¬£¬È·ÈÏÎÞÎÊÌâºó½«Ð¡³µ¸½¼Ó¹ìµÀÖÃÓÚ¹ñǰ£¬£¬ÔÙ½«Ð¡³µÑعìµÀƽÎÈÍÆÈë¹ñÌå¡£¡£¡£¡£¡£Ð¡³µÍƽøÊÜ×èʱ(ÕâʱС³µÇ°¸Ç°å¾à¹ñÌåÓÐ260mm¾àÀë)£¬£¬Ð¡³µ´¦ÓÚÊÔÑéλÖ㬣¬½«Ëø¶¨»ú¹¹ÊÖ±úתµ½ÔÝͣλÖ㬣¬½«¸¨Öú»ØÂ·²åÍ·²åºÃºó£¬£¬ÔÙ½«Ð¡³µËø¶¨»ú¹¹ÊÖ±úתÖÁËø¶¨Î»ÖÃËø¶¨Ð¡³µ£¬£¬ÔÚÖ÷»ØÂ·Î´½ÓͨµÄÇéÐÎ϶Կª¹Ø¹ñ¾ÙÐÐµçÆøÊÔÑé¡£¡£¡£¡£¡£ÈôÏë¼ÌÐø¾ÙÐвÙ×÷£¬£¬Ê×ÏȽ«Ð¡³µËø¶¨»ú¹¹ÊÖ±úתÖÁÒÆ¶¯Î»Ö㬣¬Ê¹Ð¡³µ½øÈëÒÆ¶¯×´Ì¬£¬£¬ÕâÊ±ÍÆ½ø»ú¹¹Ò¡°Ñ²å¿×·¿ª£¬£¬²åÈëÒ¡°Ñ˳ʱÕëת¶¯£¬£¬Ö±ÖÁС³µÇ°¸Ç°åÓë¹ñÌåÏà½Ó´¥£¬£¬Ð¡³µµÖ´ïÊÂÇéλÖ㬣¬½«Ð¡³µËø¶¨»ú¹¹ÊÖ±úתÖÁËø¶¨×´Ì¬Ëø¶¨Ð¡³µ¡£¡£¡£¡£¡£´Ëʱ£¬£¬Ö÷»ØÂ·½Óͨ£¬£¬¶Ï·Æ÷ÒÑ´¦ÓÚ×¼±¸×´Ì¬£¬£¬¿Éͨ¹ý¿ØÖÆ»ØÂ·¶ÔÆä¾ÙÐкϡ¢·Ö²Ù×÷¡£¡£¡£¡£¡£
Èô×¼±¸½«Ð¡³µ´ÓÊÂÇéλÖÃÍ˳ö£¬£¬Ê×ÏÈӦȷÈ϶Ï·Æ÷ÒÑ´¦ÓÚ·Öբ״̬¡£¡£¡£¡£¡£È»ºóת¶¯Ð¡³µËø¶¨»ú¹¹ÊÖ±úÖÁÒÆ¶¯Î»ÖÃ,С³µ½øÈëÒÆ¶¯×´Ì¬¡£¡£¡£¡£¡£²åÈëÒ¡°Ñ£¬£¬ÄæÊ±Õëת¶¯£¬£¬Ð¡³µÍ˳ö260mmºó£¬£¬Ð¡³µ»Øµ½ÊÔÑéλÖ㬣¬´Ëʱ£¬£¬Ö÷»Øõè¾¶ÒѾÍêÈ«¶Ï¿ª¡£¡£¡£¡£¡£Èç½«Ëø¶¨»ú¹¹ÊÖ±úתµ½Ëø¶¨Î»Ö㬣¬Ð¡³µÔÚÊÔÑéλÖÃËø¶¨¡£¡£¡£¡£¡£
b.´Ó¹ñÌåÖÐÈ¡³öС³µ
Èô×¼±¸´Ó¹ñÌåÄÚÊÔÑéλÖÃÈ¡³öС³µ£¬£¬Ó¦ÏȽ«¸½¼Ó¹ìµÀ·ÅÔÚ¹ñǰ×îÊʵ±µÄλÖ㬣¬È·¶¨¶Ï·Æ÷´¦ÓÚ·Öբ״̬£¬£¬½«Ð¡³µËø¶¨»ú¹¹ÊÖ±úתÖÁÔÝͣλÖÃ,Õª³ý¸¨Öú»ØÂ·²åÍ·£¬£¬ÔÙÓÃÁ¦À³öС³µ¡£¡£¡£¡£¡£
(2)Óнӵؿª¹ØµÄ¶Ï·Æ÷µÄ²Ù×÷
´ø½ÓµØ¿ª¹ØµÄ¶Ï·Æ÷¹ñ½«¶Ï·Æ÷С³µÍÆÈë¹ñÄںʹӹñÄÚÈ¡³öС³µµÄ³ÌÐòÓë²»´ø½ÓµØ¿ª¹ØµÄ¶Ï·Æ÷¹ñµÄ²Ù×÷³ÌÐòÍêÈ«Ïàͬ,½öÔÚС³µ¹ñÄÚÒÆ¶¯Àú³ÌºÍ²Ù×÷½ÓµØ¿ª¹ØÀú³ÌÖÐÒª×¢ÖØÈçÏÂÎÊÌâ:
a.С³µÔÚ¹ñÄÚ²Ù×÷
µ±×¼±¸½«Ð¡³µÍÆÈëÊÂÇéλÖÃʱ,³ýÁËÒª×ñÊØÉÏÊöÖÐÌáÇë×¢ÖØµÄÖîÏîÒªÇóÍ⣬£¬»¹Ó¦È·ÈϽӵؿª¹Ø´¦ÓÚÍÑÀë״̬£¬£¬²»È»ÏÂÒ»²½²Ù×÷½«ÎÞ·¨Íê³É¡£¡£¡£¡£¡£
b.ºÏ½ÓµØ¿ª¹Ø²Ù×÷
ÈôÒªºÏ½ÓµØ¿ª¹Ø£¬£¬Ê×Ðн«Ð¡³µÍ˳ö¹ñÍ⣬£¬²åÈë½ÓµØ¿ª¹Ø²Ù×÷ÊÖ°Ñ£¬£¬·½¿É¾ÙÐкÏÕ¢²Ù×÷£¬£¬ºÏ·Ö½ÓµØ¿ª¹Ø±ØÐ赽룬£¬²»Ó¦ÔÚ²Ù×÷Àú³ÌÖÐÐÄ×èÖ¹¡£¡£¡£¡£¡£
(3£©Ò»Ñùƽ³£¸ôÀë¹ñµÄ²Ù×÷
¸ôÀëС³µ±¾²»¾ß±¸½ÓͨºÍ¶Ï¿ª¸ººÉµçÁ÷µÄÄÜÁ¦,Òò´ËÔÚ¸ººÉµÄÇéÐÎÏÂÍÆÀС³µÊǼ«ÆäΣÏÕµÄ,Òò´ËÔÚ¾ÙÐиôÀëС³µ¹ñÄÚ²Ù×÷ʱ£¬£¬±ØÐèÓаü¹ÜÊ×ÏȶϿªÓëÖ®ÏàÅäºÏµÄ¶Ï·Æ÷£¬£¬ÔÚÈ·È϶Ï·Æ÷È·ÒÑ·ÖÕ¢ºó£¬£¬ÔÙ¾ÙÐиôÀë¹ñ´ÓÊÔÑ飨Öü´æ)λÖýøÈëÊÂÇéλÖ㬣¬»ò´ÓÊÂÇéλÖÃÍ˳öµÄ²Ù×÷¡£¡£¡£¡£¡£
(4£©¾ÍµØ²Ù×÷¶Ï·Æ÷
¶Ï·Æ÷С³µÃæ°åÉÏÓжÏ·Æ÷µÄ·ÖºÏ²Ù×÷Å¥£¬£¬Ò»Ñùƽ³£ÇéÐκÏÕ¢²Ù×÷Å¥Êǹ©Ð¡³µÔÚÊÔÑéλÖÃ×öÊÔÑéÓõġ£¡£¡£¡£¡£Ð¡³µÔÚÊÂÇéλÖÃʱºÏÕ¢°´Å¥Ò»Ñùƽ³£²»Æð×÷ÓÃ(ÈôÊÇÐèÒªÔÚÊÂÇéλÖÃÈÔȻʹÓöÏ·Æ÷»ú¹¹ÏäµÄ°´Å¥Ö±½ÓºÏÕ¢,ÇëÔÚ¶¨»õÊ±ÌØÊâ˵Ã÷)¡£¡£¡£¡£¡£Ð¡³µ¶Ï·Æ÷µÄ·ÖբťÊÇ×öΪʹÊ״̬µÄ½ôÆÈ·ÖբʱʹÓõÄ,Õý³£ÇéÐÎÏÂÔÚÊÂÇéλÖò»ÒªÊ¹ÓÃ,ÒÔ×èÖ¹¿ØÖÆ»ØÂ·Âß¼ÔÓÂÒ¡£¡£¡£¡£¡£ºÏ¡¢·Ö°´Å¥Æ½Ê±ÊÇÓ÷À»¤ÕÖ¸ÇסµÄ£¬£¬½ôÆÈÇéÐÎÓù¤¾ß²àÏòÇû÷£¬£¬Ê¹Æä´Ó¸ù²¿Çв۴¦¶Ï¿ª£¬£¬¾Í¿ÉÒÔ¾ÙÐвÙ×÷¡£¡£¡£¡£¡£
2¡¢×÷ÓÃÁªËøµÄ×¢ÖØÊÂÏî
(1)±¾²úÆ·µÄÁªËø¹¦Ð§ÊÇÒÔ»úеÁªËøÎªÖ÷£¬£¬¸¨Ö®ÒÔµçÆøÁªËøÊµÏÖÆä¹¦Ð§µÄ,¹¦Ð§ÉÏÄÜʵÏÖ¿ª¹Ø¹ñ¡°Îå·À¡±±ÕËøµÄÒªÇ󡣡£¡£¡£¡£¿ÉÊDzÙ×÷Ö°Ô±²»Ó¦Òò´ËºöÊÓ²Ù×÷¹æ³ÌµÄÒªÇ󣬣¬²»°´¹æ³Ì»®¶¨µÄÒªÇ󣬣¬×ñÊØ¡°¶þƱÈýÖÆ¡±µÄÖÆ¶È¡£¡£¡£¡£¡£Ö»ÓÐ×éÖ¯ÊÖ¶ÎÓëÊÖÒÕÊÖ¶ÎÏàÁ¬Ïµ²Å»ªÓÐÓÃʩչÁªËø×°Öõİü¹Ü×÷Ó㬣¬±ÜÃâÎó²Ù×÷ʹʵı¬·¢¡£¡£¡£¡£¡£
(2)±¾²úÆ·µÄÁªËø¹¦Ð§µÄͶÈëÓëɨ³ý£¬£¬´ó²¿·ÖÊÇÔÚÕý³£²Ù×÷Àú³ÌÖÐͬʱʵÏֵ쬣¬²»ÐèÒªÔöÌíÌØÁíÍâ²Ù×÷°ì·¨¡£¡£¡£¡£¡£Èç·¢Ã÷²Ù×÷ÊÜ×裨Èç²Ù×÷×èÁ¦Í»È»Ôö´ó£©Ó¦Ê×Ïȼì²éÊÇ·ñÓÐÎó²Ù×÷µÄ¿ÉÄÜ£¬£¬¶ø²»Ó¦Ç¿ÐвÙ×÷ÒÔÖÂËð»µ×°±¸£¬£¬ÉõÖÁµ¼ÖÂÎó²Ù×÷ʹʵı¬·¢¡£¡£¡£¡£¡£
3¡¢¿ª¹Ø¹ñµÄÄ¥Á·Ó¦³ý°´Óйعæ³ÌÒªÇó¾ÙÐÐÍ⣬£¬½¨ÒéÓû§ÌØÊâ×¢ÖØÒÔϼ¸µã:
(1)°´ÆÚ°´Õæ¿Õ¶Ï·Æ÷µÄ×°ÖÃʹÓÃ˵Ã÷ÊéµÄÒªÇ󣬣¬¼ì²é¶Ï·Æ÷µÄÇéÐΣ¬£¬²¢¾ÙÐÐÐëÒªµÄµ÷½â¡£¡£¡£¡£¡£
(2£©¼ì²éС³µÍƽø»ú¹¹¼°ÆäÁªËøµÄÇéÐΣ¬£¬Ê¹ÆäÖª×㱾˵Ã÷ÊéÓйØÒªÇ󡣡£¡£¡£¡£
(3£©¼ì²éÖ÷»ØÂ·´¥Í·µÄÇéÐΣ¬£¬²Á³ý¶¯¡¢¾²´¥Í·Éϳ¸¯ÓÍÖ¬£¬£¬¹Û²ì´¥Í·ÓÐÎÞËðÉË;µ¯»ÉÁ¦ÓÐÎÞÏÔ×Åת±ä©rÓÐÎÞÒòζȹý¸ßÒýÆð¶Æ²ãÒì³£Ñõ»¯Õ÷Ï󣬣¬ÈôÓÐÒÔÉÏÇéÐΣ¬£¬Ó¦ÊµÊ±´¦Öóͷ£¡£¡£¡£¡£¡£
(4£©¼ì²é¸¨Öú»ØÂ·´¥Í·ÓÐÎÞÒì³£ÇéÐΣ¬£¬²¢¾ÙÐÐÐëÒªµÄÐÞÕû¡£¡£¡£¡£¡£
(5£©¼ì²é½ÓµØ»ØÂ·¸÷²¿·ÖµÄÇéÐΣ¬£¬Èç½ÓµØ´¥Í·¡¢Ö÷½ÓµØÏß¼°¹ýÃŽӵØÏߵȣ¬£¬°ü¹ÜÆäµçÒ»Á¬ÐÔ¡£¡£¡£¡£¡£
(6£©¼ì²é¸÷²¿·Ö½ô¹Ì¼þ,ÈôÓÐËɶ¯£¬£¬Ó¦ÊµÊ±½ô¹Ì¡£¡£¡£¡£¡£
Ê®¡¢ÔËÊäÓëÖü´æ
1¡¢¿ª¹Ø¹ñµÄÔ¶³ÌÔËÊ䣬£¬½¨Òé²»½ÓÄɹ«Â·ÔËÊäµÄ·½·¨£¬£¬ÌØÊâ²»Òª³¤¾àÀëÔÚÈý¼¶ÒÔϹ«Â·ÔËÊä¡£¡£¡£¡£¡£
2¡¢¿ª¹Ø¹ñÔÚ°ü×°µ×°åÉÏÀο¿Ê±¿É½ÓÄɹöÔË¡£¡£¡£¡£¡£ÎÞ°ü×°¿ª¹Ø¹ñÓ¦½ÓÄɵõÔË»ò²ùÔË¡£¡£¡£¡£¡£
3¡¢¿ª¹Ø¹ñ(×ÝÈ»ÊÇ´øÍâ°ü×°µÄ)²»Ò˺ã¾ÃÔÚ»§Íâ´¢·Å¡£¡£¡£¡£¡£½Ï³¤Ê±ÆÚ²»±ØµÄ¿ª¹Ø¹ñ£¬£¬Ó¦´¢·ÅÔÚ¸ÉÔ£¬Í¸·çµÄ»§ÄÚ¿ÍÕ»ÖС£¡£¡£¡£¡£¿£¿£¿ª¹Ø¹ñµÄÍâ°ü×°ÓÐÓÃÆÚÒ»Ñùƽ³£²»Áè¼ÝÒ»Äê¡£¡£¡£¡£¡£
ʮһ¡¢²úÆ·³ÉÌ×ÐÔ
²úÆ·ÔÚ½»»õʱӦ¾ß±¸ÒÔÏÂÎļþºÍ¸½¼þ:
1¡¢²úÆ·µÄ¼°¸ñ֤ʵÊé
2¡¢²úÆ·µÄ×°ÖÃʹÓÃ˵Ã÷Êé
3¡¢×°Ïäµ¥
4¡¢²úÆ·µÄ¹¤³ÌÉè¼Æ×ÊÁÏ(°üÀ¨ÏµÍ³Í¼£¬£¬¶þ´Î½ÓÏßͼ£¬£¬×°±¸Ã÷ϸ±íµÈ)
5¡¢¶Ï·Æ÷´¢ÄÜÒ¡°Ñ¡¢Ð¡³µÍƽøÒ¡°Ñ¡¢½ÓµØ¿ª¹Ø²Ù×÷Ò¡°Ñ¼°Ð¡³µ¸½¼Ó¹ìµÀ£¨½¨ÒéÌõÔ¼Á¿10̨ÒÔÏ£¬£¬Ã¿5̨ÅäÒ»Ì×;Áè¼Ý10̨£¬£¬¼ÓÒ»Ì×)
6¡¢¿ª¹Ø¹ñÄÚÖ÷ÒªÔª¼þµÄ×°ÖÃʹÓÃ˵Ã÷ÊéµÈÊÖÒÕÎļþºÍ¸½¼þ